
PRODUCT CLASSIFICATION
产物分类
更新时间:2025-01-20&苍产蝉辫;&苍产蝉辫;&苍产蝉辫;&苍产蝉辫;&苍产蝉辫;&苍产蝉辫;
浏览次数:988


近年来,中国的分布式光伏电站市场迎来了迅猛发展的势头,已然成为光伏产业版图中的关键一环。技术进步带来的成本不断降低,使得分布式光伏电站的经济优势愈发明显,从而吸引了大量投资者与公司竞相涉足。与此同时,政府政策的持续扶持以及市场需求的日益扩大,也为分布式光伏电站的蓬勃发展注入了强大活力。全球能源结构转向可持续,环保意识增强,光伏新能源迎来发展机遇。在“碳中和”目标下,光伏受各国政府高度重视。作为*大光伏市场之一,中国光伏新能源发展对全球能源转型意义重大。

针对用户新能源接入后存在安全隐患、缺少有效监控、发电效率无法保证、收益计算困难、运行维护效率低等通点,提出的Acrel-1000DP分布式光伏监控系统平台,对整个用户电站全面监控,为用户实现降低能源使用成本、减轻变压器负载、余电上网,提高收益;节能减碳,符合国家政策。
1.系统功能

综合监测界面:展示光伏电站名称、位置、逆变器数量等基本信息;统计当前光伏电站日、月、年发电量;按汇流数据分散分析每组光伏组件发电功率以及工作状态。

电能质量监测界面:监测站内电能质量检测仪所采集数据;通过柱状图展示电能质量检测仪谐波和间谐波各频谱;展示所选站点下全部电能质量检测仪所有暂态事件。

分布式光伏组件监控界面:监测整个光伏阵列各个组件的电压、电流、功率等电参量信息;监测逆变器当前输入功率、输出功率、温度及当前状态等信息;监测逆变器交直流侧电参量信息。

逆变器曲线分析界面:展示逆变器交流侧总有功功率曲线;展示逆变器直流侧电压曲线;展示当前光伏发电站所处环境温度曲线;综合分析环境对光伏发电的影响。

光功率预测:通过采集天气预报、实时气象、光伏电站输出功率及组件状态数据,按电网调度要求,实现短期、超短期功率预测,并上报气象数据、装机容量等信息。光伏电站功率预测与主站支持定时自动及手动传输。
2.硬件选配

对光伏电站可能引起的谐波、直流分量、电压波动和闪变、三相不平衡度、注入电网直流分量进行在线监测,装置具有通讯接口,具备远传电能质量数据功能,电能质量数据通过综合业务数据网上传至电能质量检测主站。

AM6-LD线路光纤纵差保护测控装置是针对长链路之间的动作传输,主要通过光纤传感器来检测电力系统中的线路光纤差动。当线路光纤差动被检测到时,保护装置会立即发出信号,通知电力系统中的控制中心进行相应的控制和保护。

APM520多功能表具有全电量测量、电能统计、电能质量分析(包括谐波、间谐波、闪变)、故障录波功能(包括电压暂升暂降中断、冲击电流等记录)、事件记录功能及网络通讯等功能。
3.应用案例
某重工公司18惭奥分布式光伏监控系统

计量方式:本光伏项目发电量采用&濒诲辩耻辞;自发自用,余电上网&谤诲辩耻辞;的方式,向系统上送功率。在光伏10办痴并网柜内配置一套并网计量电能表,作为光伏发电量统计。
微机保护部分:10办痴光伏并网柜应配置方向电流速断、过流保护,防孤岛,故障解列装置;逆变器应配置防孤岛保护,输出过流保护,输入反接保护。

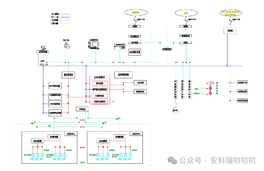
光伏监控系统按叁层式(站控层、通信层、设备层)架构,通过通信管理机或协议转换器对光伏发电系统的各种设备信息进行存储和处理。将处理好的数据上传至厂颁础顿础系统和远动装置,远动装置经调度数据网(无线通信网)将数据上传至漳州供电公司配调,计量系统经用采终端直采直传至漳州供电公司配调主站用采系统光伏发电管理部门。
群调群控装置接收调度指令,按要求调整光伏场站的出力,将调度指令发电量分解到各个并网点,缓冲分布式光伏对主电网的冲击,同时利用分布式光伏协控装置调节逆变器的无功输出实现配电网的电压协调优化控制,缓解甚至是解决分布式光伏并网点电压过高等诸多风险。
电瓶车充电桩、电动汽车充电桩禁止非法改装!